當前位置: 滾珠絲桿網 ? 4010滾珠絲杠 ? DFV4010滾珠絲杠
DFV4010滾珠絲杠
雷研精密傳動設備有限公司供應DFV4010滾珠絲杠【貨源充足、價格合理、原裝正品、品牌齊全】滿足客戶的需求。請需要DFV4010滾珠絲桿的朋友聯系:黃志杰(經理)? 聯系電話:15802034588。
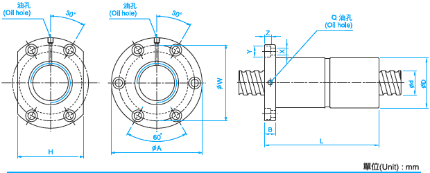
DFV4010滾珠絲桿參數
型號:DFV4010
絲桿外徑:40
導程:10
珠徑:6.35
螺母外徑:82
法蘭直徑:124
法蘭的厚度:18
螺母的長度:188
安裝孔之間的距離:102
法蘭的寬度:94
珠圈數:4.8×1
動額定負荷:6316
靜額定負荷:18600
剛性:121
【DFV滾珠絲桿的工作原理】
在絲桿和螺母上加工有弧行螺旋槽,當它們套裝在一起時便形成螺旋滾道,并在滾道內裝滿滾珠。而滾珠則沿滾道滾動,并經回珠管作周而復始的循環運動。回珠管兩端還起擋珠的作用,以防滾珠沿滾道掉出。
【滾珠絲桿防塵方法】
滾珠絲桿與滾動軸承一樣,當混入異物或水分時,磨損會加快,嚴重者甚至會導致破損。有鑑於此,本公司的滾珠絲桿螺母的前后兩端皆附有刮刷器,以達到防塵的效果。另外在法蘭面端的刮刷器再加上 O型套環,更可以防止漏油的發生。
瀏覽DFV4010滾珠絲桿的用戶還會?
DFV4005滾珠絲杠、DFV3208滾珠絲杠等
滾珠絲杠討論①群263545937(專家在線為你解答)歡迎你的加入!
版權所有 © 轉載時必須以鏈接形式注明作者和原始出處!


