當前位置: 滾珠絲桿網 ? 8020滾珠絲杠 ? DFV8020滾珠絲杠
DFV8020滾珠絲杠
雷研精密傳動設備有限公司供應DFV8020滾珠絲杠【貨源充足、價格合理、原裝正品、品牌齊全】滿足客戶的需求。請需要DFV8020滾珠絲桿的朋友聯系:黃志杰(經理)? 聯系電話:15802034588。
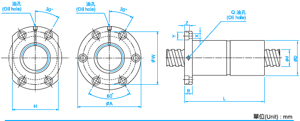
DFV8020滾珠絲桿參數
型號:DFV8020
絲桿外徑:80
導程:20
珠徑:9.525
螺母外徑:143
法蘭直徑:204
法蘭的厚度:28
螺母的長度:340
安裝孔之間的距離:172
法蘭的寬度:148
珠圈數:4.8×1
動額定負荷:15103
靜額定負荷:57296
剛性:226。

【怎樣才能買到質量好的滾珠絲桿或正宗進口的滾珠絲桿】
1.從有信譽的代理商和企業的銷售公司購買。國內大型企業在各地一般都有自己的銷售分支機構,一般這些企業的分支機構是不會賣假貨的;國外知名品牌在國內一般都有自己的指定代理商,購買時要注意該商戶是否有代理證明。
2、直接找滾珠絲桿生產廠家購買。國內生產的滾珠絲杠及相關產品,可以直接找生產企業購買;國外品牌可以與該品牌的駐華機構聯系。
瀏覽DFV8020滾珠絲桿的用戶還會?
DFV8010滾珠絲杠、DFV4005滾珠絲桿等。
滾珠絲杠討論①群263545937(專家在線為你解答)歡迎你的加入!
版權所有 © 轉載時必須以鏈接形式注明作者和原始出處!

