當前位置: 滾珠絲桿網 ? 2510滾珠絲杠 ? SFI2510滾珠絲杠
SFI2510滾珠絲杠
雷研精密傳動設備有限公司供應SFI2510滾珠絲杠【貨源充足、價格合理、原裝正品、品牌齊全】請需要SFI2510絲杠的朋友聯系:黃志杰(經理)? 聯系電話:15802034588。
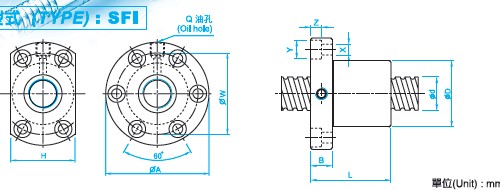
SFI2510滾珠絲桿參數
型號:SFI2510
絲桿外徑:25
導程:10
珠徑:4.762
螺母外徑:46
法蘭直徑:72
法蘭的厚度:12
螺母的長度:85
安裝孔之間的距離:58
法蘭的寬度:52
珠圈數:1×4
動額定負荷:2954
靜額定負荷:7295
剛性:51。
【滾珠絲杠螺母副的循環方式】
??? 常用的循環方式有兩種:外循環和內循環。滾珠在循環過程中有時與絲杠脫離接觸的稱為外循環;始終與絲杠保持接觸的稱為內循環。滾珠每一個循環閉路稱為列,每個滾珠循環閉路內所含導程數稱為圈數。內循環滾珠絲杠副的每個螺母有2列、3列、4列、5列等幾種,每列只有一圈;外循環每列有1.5圈、2.5圈和3.5圈等幾種。
瀏覽SFI2510滾珠絲桿的用戶還會?
DFU2510滾珠絲杠、SCI2510滾珠絲桿等。
滾珠絲杠討論①群263545937(專家在線為你解答)歡迎你的加入!
版權所有 © 轉載時必須以鏈接形式注明作者和原始出處!


